网站支持IPV6

信息公开

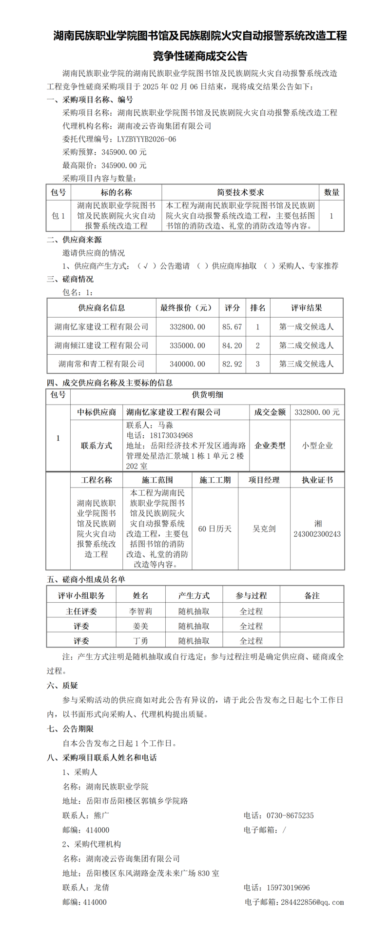
湖南民族职业学院图书馆及民族剧院火灾自动报警系统改造工程 竞争性磋商成交公告

作者:admin 发布时间:2026-02-09 12:20:48

磋商成交公告_01.png